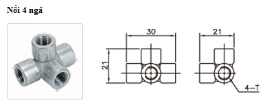
Nối 4 Ngã
Mô tả

Thông số kỹ thuật của nối 4 ngã:
|
Model |
Bore |
T |
Weight (g) |
|
PHD0401 |
Ø4 |
M8x1.0 |
25 |


